401-138-7
Category:
Patch Panels
−
+
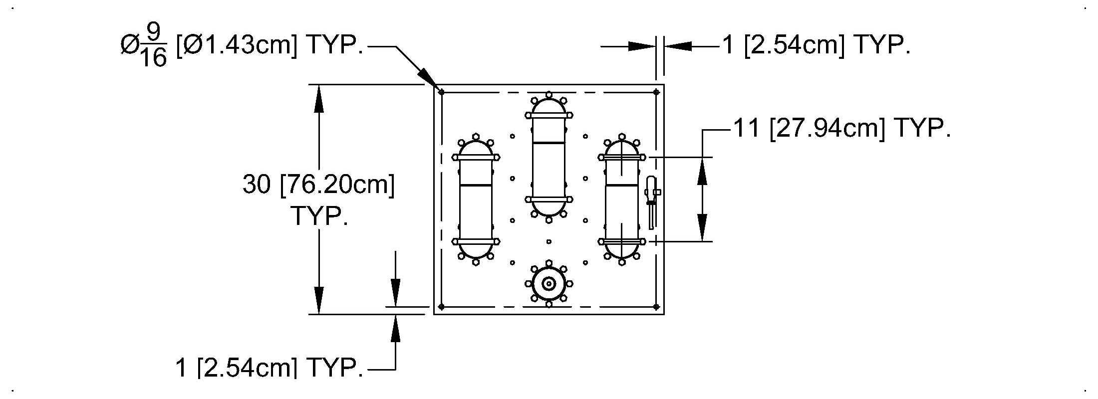
4 1/16" 50 ohm patch panel, manual, 7 pole, unpressurized. Includes 3 "U" links with handles, anchor insulator connectors with anti-splitting devices, line clamps, screwdriver. 132.3lbs
Click here to see all details
As a part of GDPR policy, we use cookies to ensure that we give you the best experience on our website.
I accept