Search by Part Number

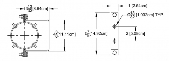
301-042-11

Print
+
3 1/8" slip hanger, flange mounted for indoor use. Permits expansion. 2lbs.
Ask about this product

Feel Free to Contact Us Anytime:

•Email: This email address is being protected from spambots. You need JavaScript enabled to view it.

•Phone: 201-684-0100

•Fax: 201-684-0104

ISO 9001:2015 Certified QMS

Headquarters

360 Franklin Turnpike

Mahwah, NJ 07430

Legal

Contact Us