Search by Part Number

301 - 3 1/8" 50 ohm

  • Filters
Category: Fine Matcher
3 1/8" 50 ohm UHF pressurized 4 probe tuning line section, Specify length and Frequency. Includes acchor insulator with anti-splitting device, "O" ring and hardware.
+
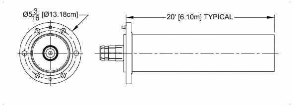
3 1/8" 50 ohm 20' line assembly, one end flanged: Includes anchor insulator connector with anti splitting device, "O" ring, hardware. 54lbs @ 20 feet.
+
3 1/8" 50 ohm 20' expansion line assembly, random pin spacing, flanged: Includes, "O" ring, hardware. Used on: TV CH 2 - 6, FM 88.1 - 95.9, FM 100.1 - 107.9, no freq. specified. 55.5lbs.
+
3 1/8" 50 ohm 17.5' optimized expansion line assembly, flanged: Includes "O" ring, hardware. Used on: Full FM Coverage. 49lbs.
+
3 1/8" 50 ohm 19' optimized expansion line assembly, flanged: Includes "O" ring, hardware. Used on FM 96.1 - 99.9 52.9lbs.
+
3 1/8" 50 ohm 19.5' optimized expansion line assembly, flanged: Includes "O" ring, hardware. Used on TV CH 9, 10, 13, 17, 21, 25, 26, 29, 30, 33, 34, 37, 38, 42, 46, 50, 54, 58, 59, 62, 63 and 67. 54.2lbs.
+
3 1/8" 50 ohm 19.75' optimized expansion line assembly, flanged: Includes "O" ring, hardware. Used on TV CH 16, 20, 24, 28, 32, 36, 40, 41, 45, 49, 53, 57, 61, 65, 66 and 69. Weight 54.9lbs.
+
3 1/8" 50 ohm 20' optimized expansion line assembly, flanged: Includes "O" ring, hardware. Used on TV CH 7, 8, 11, 12, 14, 15, 18, 19, 22, 23, 27, 31, 35, 39, 43, 44, 47, 48, 51, 52, 55, 56, 60, 64 and 68. 55.5lbs.
+

Feel Free to Contact Us Anytime:

•Email: This email address is being protected from spambots. You need JavaScript enabled to view it.

•Phone: 201-684-0100

•Fax: 201-684-0104

ISO 9001:2015 Certified QMS

Headquarters

360 Franklin Turnpike

Mahwah, NJ 07430

Legal

Contact Us