Search by Part Number

901 - 9 3/16" 50 ohm

  • Filters
9 3/16" 50 ohm Industry Standard to type 'N' plate reducer. 11.6lbs.
+
9 3/16" 50 ohm Industry Standard line assembly of customer specified length, flanged both ends with one swivel flange: Includes anchor insulator connector, "O" ring, hardware. 26.8lbs plus 9.41lbs per foot.
+
Category: End Seal
9 3/16" 50 ohm end seal assembly with NPT gas inlet port. Includes "O" ring gasket and hardware. 61lbs.
+
9 3/16" 50 ohm adapter, male to male, with fixed flanges and unsupported inner conductor. Includes "O" ring gasket and hardware. 28.3lbs.
+
Step reducer, flanged: 9 3/16" 50 ohm to 6 1/8" 50 ohm. Includes 6 1/8" 50 ohm anchor insulator connector with anti-splitting device, "O" ring, hardware. 34lbs.
+
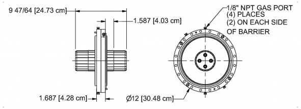
Category: Gas Barriers
9 3/16" 50 ohm heavy duty gas barrier, with "O" ring gasket, four 1/8" NPT gas inlet ports, (two on each side of barrier). 37.8lbs.
+
Category: Coaxial Short
9 3/16" 50 ohm flanged short assembly female. 30.9lbs
+
9 3/16" lateral brace for use at base of tower. Includes two line clamps.
+

Feel Free to Contact Us Anytime:

•Email: This email address is being protected from spambots. You need JavaScript enabled to view it.

•Phone: 201-684-0100

•Fax: 201-684-0104

ISO 9001:2015 Certified QMS

Headquarters

360 Franklin Turnpike

Mahwah, NJ 07430

Legal

Contact Us